What's new
Ram Heavy Duty Forum

Register a free account today to become a member! Once signed in, you'll be able to participate on this site by adding your own topics and posts, as well as connect with other members through your own private inbox!

Backup lights to AUX switch

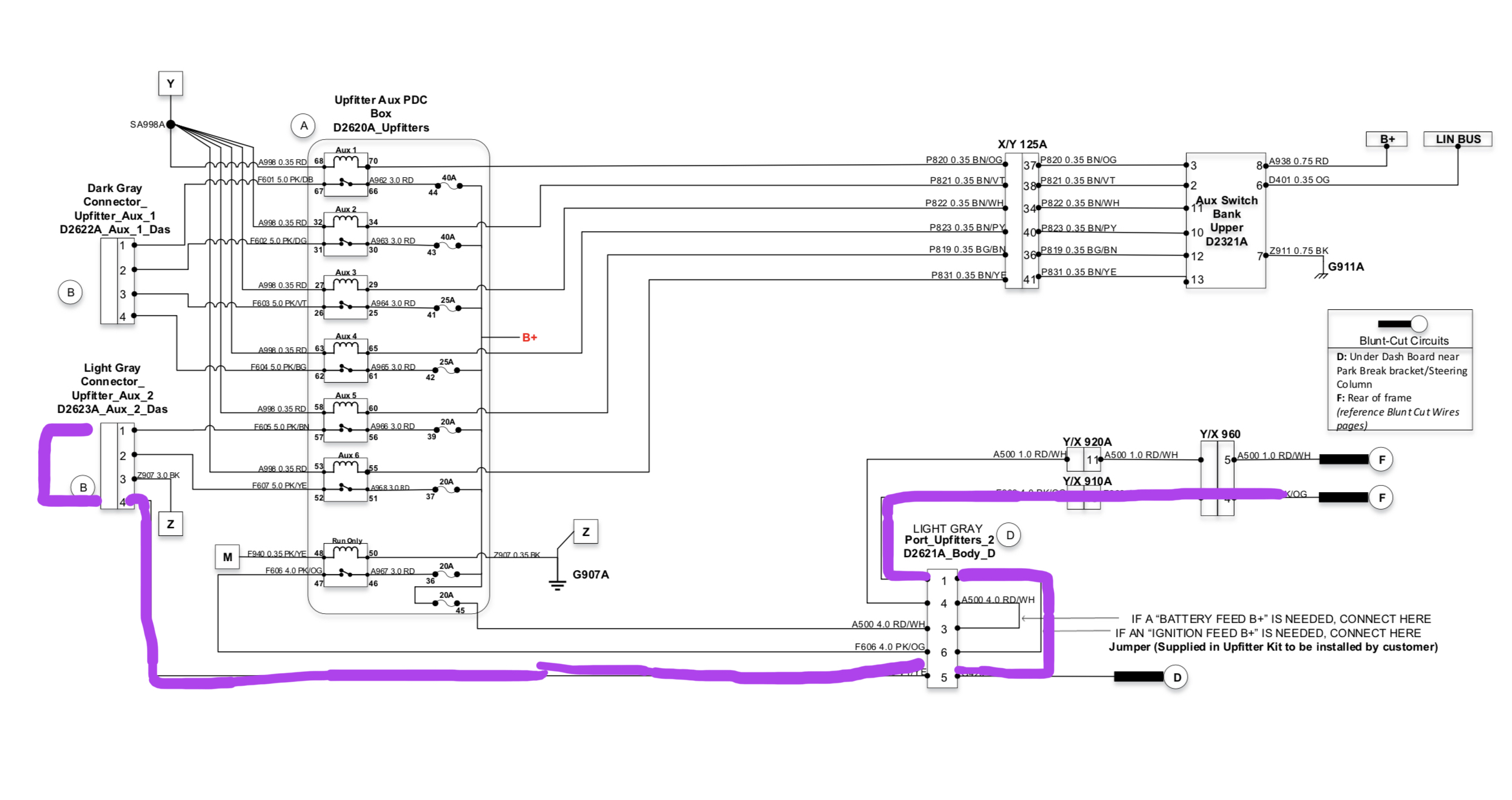
Ok, I'm getting ready to do this on my 2020 3500 with Baja Designs backup lights. My question is about the jumper in @Brutal_HO 's diagram, B 2 to 4. Wouldn't I connect the attached to "D" in the cab, run the purple/yellow wire to G425 pass through, then use either Relay Aux 5 for ignition powered or Aux 6 for battery powdered? What say you @Jimmy07 and Brutal?
 

Attachments

  • IMG_20210201_101400468.jpg
    IMG_20210201_101400468.jpg
    92.5 KB · Views: 38
Ok, I'm getting ready to do this on my 2020 3500 with Baja Designs backup lights. My question is about the jumper in @Brutal_HO 's diagram, B 2 to 4. Wouldn't I connect the attached to "D" in the cab, run the purple/yellow wire to G425 pass through, then use either Relay Aux 5 for ignition powered or Aux 6 for battery powdered? What say you @Jimmy07 and Brutal?
The aux switch number used is irrelevant for battery or ignition power, because they are programmable in the EVIC. In order to use a switch for one of the two wires at the rear bumper, you must arrange one of the jumper loops on that connector you have pictured to go from position 1 or 4 (your choice) to position 5. Then, at the output connectors next to the aux PDC, you must jump connector B position 4 to whatever switch output you want to use. This is the output power flow for using switch 5-
ehPDWKX.jpg
 
Then where does the purple/yellow pass through wire go? Removed, tie to the wire going to Aux 5 (or any other Aux position)?
 
Then where does the purple/yellow pass through wire go? Removed, tie to the wire going to Aux 5 (or any other Aux position)?
It gets removed. You only get one choice on using a switch for the pass through- either an accessory in the cab, or out back. If it came down to it, you could remove “M” from the main PDC, and pin it into one of the aux switch outputs. That way you could use two switches via the in cab pass through.
 
Back
Top