20Limited3500
Well-Known Member
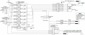
What year is the chassis cab you show in this pic? I ask because my 2020 3500 Limited has these exact same wires in the same location as shown in this pic.
I am wanting to install some flush mounted LED lights into the rear bumper and would like to be able to control them via one of the 6 Aux Switches on the dash. I had originally bought the lights for the 2016 3500 Limited I had but could never locate the wires in the back. I gave up on the idea with that truck. Now that I have the new one, and I've had the rear bumper off already to install a heavier duty hitch, I want to install the lights and finally use them. Definitely will be following this for as much info that I can ascertain.
I am wanting to install some flush mounted LED lights into the rear bumper and would like to be able to control them via one of the 6 Aux Switches on the dash. I had originally bought the lights for the 2016 3500 Limited I had but could never locate the wires in the back. I gave up on the idea with that truck. Now that I have the new one, and I've had the rear bumper off already to install a heavier duty hitch, I want to install the lights and finally use them. Definitely will be following this for as much info that I can ascertain.
I am currently working on a YouTube video and PDF document explaining the AUX wiring system. I have been holding off on publishing the video or document because I was hoping to find the blunt wires so I could include them in the video. Please post pictures when you can.
Here is a picture of the blunt wire location on a chassis cab which is exactly where the upfitter wiring diagram says it should be.
View attachment 4770





