Didn't feel like working through lunch so figured I get this up as there were a few requests. Lots of these things came off of a 100 series Landcruiser I sold last April. I wont be going into a ton of detail. The diagram is pretty self explanatory. I will answer any questions the best I can.
Parts Used
- Redarc BCDC 1225, other misc parts from them
- Optima DH7
- Renogy Solar Panel, other misc parts from them
- Goal Zero Nomad
- Wire and other items obtained from Amazon
- NH Overland 2nd Battery Tray
- Others I have forgotten about
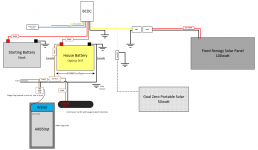
Here is the design I came up with. I had made this prior to starting the build. This is actually what is installed minus the SAE, waiting for that connector and I think I will mount it in the bumper. Because I live in Colorado this setup allows me to remove the solar, ARB, and roof top tent in the winter when not in use.

Parts Used
- Redarc BCDC 1225, other misc parts from them
- Optima DH7
- Renogy Solar Panel, other misc parts from them
- Goal Zero Nomad
- Wire and other items obtained from Amazon
- NH Overland 2nd Battery Tray
- Others I have forgotten about
Here is the design I came up with. I had made this prior to starting the build. This is actually what is installed minus the SAE, waiting for that connector and I think I will mount it in the bumper. Because I live in Colorado this setup allows me to remove the solar, ARB, and roof top tent in the winter when not in use.

Last edited:











