What's new
Ram Heavy Duty Forum

Register a free account today to become a member! Once signed in, you'll be able to participate on this site by adding your own topics and posts, as well as connect with other members through your own private inbox!

Can you identify those connectors?

kristof

Well-Known Member
Messages
777
Reaction score
352
Points
63
While I was working on my remote starter I noticed those connectors. They are not connected to anything. One connector is located near the BCM and have thick wires plugged in. Like red , pink and purple. The other connector is located behind the radio frame. Do you know what those are for?
1a3ed78bc186c0c869dfc33badd76a34.jpg
542b6b2516bfc6ae2268b1e80e5fb55f.jpg


Sent from my SM-G973U using Tapatalk
 
I'd have to check my notes, but pretty sure the grey connector is the AUX pass-thru wiring. There's a jumper that comes in the wiring kit, those bring the IGN and BAT to the rear frame and bring an extra wire in that you can jump from one of the AUX connectors under the hood back into the cab.

I think the details are in the dash camera thread if you can find that one.
 
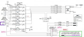
It's D2621A in this diagram unless I'm mistaken. The crayons are my notes. I used it to bring AUX6 G425 into my cab for my dash camera BD 2WD Low range Kit, IGN and BAT for my dash cam.

2020-05-02 00_41_55-Image.jpg
 
Last edited:
It's D2621A in this diagram unless I'm mistaken. The crayons are my notes. I used it to bring AUX6 G425 into my cab for my dash camera.

View attachment 7459
This is sweet cause I want to connect my dash cam and radar detector also. I don't like to have bunch of cables hanging from my mirror or the lighter socket

Sent from my SM-G973U using Tapatalk
 
This is sweet cause I want to connect my dash cam and radar detector also. I don't like to have bunch of cables hanging from my mirror or the lighter socket

Sent from my SM-G973U using Tapatalk

Yes, if you have the Aux switch setup, you can bring IGN, BAT, and jump any Aux into the cab.

I misspoke.

I needed AUX (switched) for my 2WD low range kit, IGN and BAT were used for my dash cam (needs battery for motion/bump recording). Just ran those wires inside the headliner and down inside the A-pillar.
 
Yes, if you have the Aux switch setup, you can bring IGN, BAT, and jump any Aux into the cab.

I misspoke.

I needed AUX (switched) for my 2WD low range kit, IGN and BAT were used for my dash cam (needs battery for motion/bump recording). Just ran those wires inside the headliner and down inside the A-pillar.
Yes I have all the switches in place. My truck came with what is called a "snow chief group".
 
Back
Top